
Existen en el mercado compuertas lógicas integradas, las cuales permiten la construcción de circuitos digitales fácilmente.
Hay muchas empresas fabricantes como son, Texas, Faird child, entre otras.
Las compuertas lógicas integradas están formadas por compuertas lógicas AND,OR, NAND;NOR, es decir por todo tipo de compuertas.
Existen dos tipos de compuerta, las de la serie 74XXX de tecnología TTL y las de la serie 54XXX con tecnología CMOS en el apartado 3.4 de esta unidad se da información al respecto.
Cada fabricante en su página de internet da una lista, llamada hoja de datos o Data Sheet en inglés, de cada compuerta que se fabrica también existen libros o manuales que describen los tipos de compuertas que se fabrican y el número de serie que las identifica ya sea TTL o CMOS. Ver bibliografía.
Se fabrican compuertas simples como AND, OR o negadores y una combinación de ellos, como por ejemplo la 7400 que es una compuerta que contiene 4 compuertas NAND, o la 7451 que consiste de dos circuitos inversores compuestos por compuertas AND y OR.
Con ejemplos se explica su uso
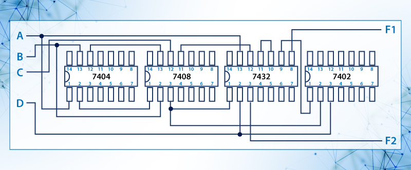
Ejemplo 5.- Construir el circuito mostrado.
Figura 29. Circuito digital para el ejemplo 5
Solución:
Se requieren 2 compuertas NOT, 2 AND, 3 OR y 1 NOR
Consultando en la bibliografía (Tablas de equivalencia, circuitos lógicos, editorial Alfa Omega ,2004) se tiene:
Compuerta NOT, 7404 con seis circuitos, compuerta AND, 7408 con cuatro circuitos con 2 entradas cada uno, compuerta OR,7432 con cuatro circuitos de 2 entradas cada uno y la compuerta NOR, 7402 con cuatro circuitos de 2 entradas cada uno.
En la figura 30 se muestra un ejemplo de la información que se encuentra para cada compuerta, en este cen el libro de referencia, con la cual se aso para la 7404, se procede a identificar las entradas y sus salidas con las conexiones correspondientes:
Figura 30. Circuitos digitales que contiene la compuerta 7404.
La información que se obtiene de este diagrama es:
Por lo que el circuito con las entradas, salidas y conexiones de las terminales de las compuertas quedaría como sigue:
Figura 31: Compuertas con sus números que la identifican (74xx), las entradas y salidas de cada compuerta con su número de terminal correspondiente y las diferentes interconexiones requeridas.
Finalmente queda el circuito
Figura 32: Circuito con compuertas lógicas.
Construir el circuito con un software simulador, por ejemplo el Proteus VSM, que se indica en la bibliografía.
Existen en el mercado compuertas lógicas integradas, las cuales permiten la construcción de circuitos digitales fácilmente.
Codificador.
Un codificador es un circuito que tiene 2n entradas y solo n salidas, un ejemplo de aplicación del codificador es construir un circuito que tenga 8 entradas y solo 3 salidas, es decir un codificador de números octales a binario Ver figura 45
Tabla 23. Tabla de verdad de codificador octal a binario
En los codificadores existe el riesgo de que si más de una entrada es 1 la salida puede producir una salida NO definida, dado que con n entradas se tendrían 2n combinaciones, esto es , para el codificador octal a binario se tienen 8 entradas lo que puede producir 256 salidas. Y solo nos interesan 8 salidas, del 0 al 7.
Para corregir esto existen los codificadores con prioridad que garantizan que sólo se codifica una de las entradas para lograrlo se da prioridad a las entradas, esto es suponer que la entrada es E3 E2 E1 E0 entonces se le da prioridad al 1 de mayor peso , si tanto E3 como E2 son 1 al mismo tiempo, la salida será 11 puesto que E2 tendrá prioridad sobre E5.
Otro cuidado que se debe tener presente es que cuando todas las entradas son 0 la salida es 0 al igual que cuando la entrada E3=1. Esto se resuelve agregando una salida más que indique que al menos una entrada es 1, ver figura 46.
Tabla 24. Tabla de verdad para un codificador de 4 entradas con prioridad
Existen en el mercado diversos codificadores de prioridad, como por ejemplo el 74148 codificador de 8 entradas a 3 salidas ó el 74152 codificador de 8 a 1 salida, se recomienda ver la bibliografía.
Decodificadores.
Un decodificador es un circuito que hace lo contrario a un circuito codificador, es decir de n entradas se producen 2n salidas.
Por ejemplo, el decodificador de 3 entradas a 8 segmentos, ver figura 47
Tabla 25. Tabla de verdad del codificador de tres a ocho segmentos
Una aplicación de este circuito es convertir una señal binaria a octal, en la que la entrada representa un número binario y la salida de 0 al 7 en octal. También se puede construir un circuito que cambie de código BCD a 7 segmentos que es empleado en el uso de “displays” numéricos.
Hacer la tabla de verdad y el diagrama de un convertidor BCD a 7 segmentos.
Existen en el mercado una gran cantidad de decodificadores, desde BCD a 7 segmentos (7446) ó BCD a decimal (7442), de 3 a 8 (74135), entre otros.
Construir la función Q=AB’C + A’BC’ con el decodificador de 3 a 8 segmentos 74135.
Multiplexores
Es un circuito digital que selecciona una de varias entradas y la envía a una sola salida, es decir de 2n entradas y solo tiene una sola salida.
Su uso es muy amplio, como ejemplo queremos distinguir una salida de dos entradas, en la que cada entrada es una señal diferente.
Figura 33: Demultiplexor de 2 entradas A y B y señal de control C
En este circuito tenemos una señal A que representa segundos y una señal B que representa Minutos, con el control C del multiplexor se puede escoger que la salida Y sea según se desee: segundos (C=0) o minutos (C=1)
Que de acuerdo con la tabla se tiene la función Y={2,3,5,7}
Tabla 26. Tabla de verdad de Multiplexor de 2 a 1 salida y señal de control
Hacer la tabla de verdad y el diagrama del circuito digital combinacional con el que se quiere habilitar solo una dirección de cuatro posibles. En la entrada tenemos Q1, Q2, Q3, y Q4 y en la salida tendremos F= Qx, según sea la entrada X deseada.